MC109 Winsen сенсор Углеводорода (горючие газы) CH
Цена: по запросу
Арт. ХХ-00001186
MC109 Winsen сенсор для измерения Углеводорода (горючие газы) CH в воздухе
Характеристики
Производитель
—
Winsen
Тип измерения
—
Термокаталитический
Диаметр, мм (типоразмер)
—
12.02.2022
Диапазон
—
0 - 100 % LEL
Чувствительность / выходной сигнал
—
20 -50 H2 / 40-90 C2H4
Время отклика t90
—
10 sec.
MC109 Winsen сенсор Углеводорода (горючие газы) CH
Цена: по запросу
Арт. ХХ-00001186
Описание
MC109 Winsen сенсор для измерения Углеводорода (горючие газы) CH в воздухе. MC109 использует принцип каталитического горения, где две части электрического моста состоят из тестирующего элемента и компенсирующего элемента. Сопротивление тестирующего элемента повышается, как только он соприкасается с горючими газами, в то же время выходное напряжение моста изменяется, и изменение напряжения возрастает прямо пропорционально концентрации газа. Компенсирующий элемент, как правило, выполняет функцию компенсации температуры и влажности.
Особенности сенсора MC109 Winsen:
- Выходной сигнал моста линейный
- Быстрый отклик
- Хорошая повторяемость и избирательность
- Хорошая стабильность
- Отличная устойчивость к взаимодействию газа H2S и кремнийорганического соединения.
Основные области применения сенсора MC109 Winsen:
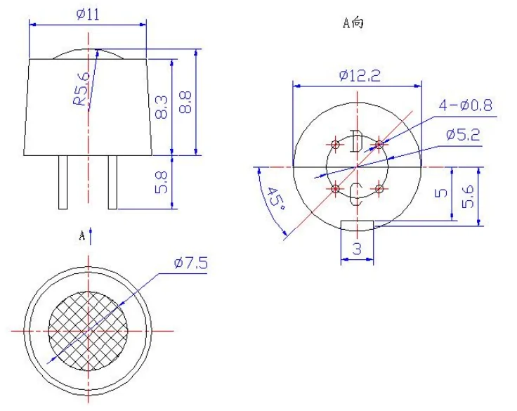
Он широко используется в промышленности для определения концентрации водорода, этина, бензина, ЛОС, таких как спирт, кетон, бензол.Габаритные размеры сенсора MC109 Winsen:
#PROP_TITLE#
—
#PROP_VALUE#
Документы



