NAP-78SU Nemoto Сенсор для измерения Угарного газа CO в воздухе
Каталитический газовый датчик NAP-78SU для обнаружения неполного сгорания в дымоходах котлов.
Газовый датчик NAP-78SU от Nemoto предназначен для непрерывного контроля дымовых газов, образующихся в котлах горячего водоснабжения и центрального отопления, работающих на газе или мазуте, с целью обеспечения безопасности устройства и ограничения воздействия котла на окружающую среду в случае неисправности. Датчик обнаружит наличие высокого уровня монооксида углерода и/или водорода в дымовых газах, вырабатываемых котлом. Высокое содержание этих газов в дымоходе при нормальной работе возникает в результате неполного сгорания, и, следовательно, указывают на неисправность котла, которая может представлять угрозу безопасности в помещении, в котором он установлен. Сигнал от датчика может быть использован либо для срабатывания сигнализации, либо для автоматического выключения котла для обеспечения безопасности и благополучия людей, находящихся в здании.
NAP-78SU особенно полезен в качестве индикатора засорения или частичной блокировки дымохода, будь то на входе воздуха в дымоход или на его вытяжной ступени. Недавние изменения в стандартах, касающихся бытовых водогрейных котлов, в частности Европейский стандарт EN 483 подчеркивает необходимость точного определения этого неисправного состояния, и датчик NAP78SU с легкостью справляется с этой задачей, обеспечивая соответствие данному разделу стандарта. Датчик использует хорошо зарекомендовавший себя метод катализируемого гранулированного резистора (пеллистора), предназначенный для обнаружения горючих газов в системах общей безопасности окружающей среды.
В случае NAP-78SU, устройство специально модифицировано, включая специальную резисторную матрицу, установленную в отдельном корпусе, для обеспечения стабильной и надежной работы при монтаже внутри дымохода котла, работающего при высоких температурах. Датчик NAP-78SU хорошо зарекомендовал себя в качестве надежного средства предупреждения в режиме реального времени о небезопасных условиях горения в котлах, и все технические характеристики и эксплуатационные характеристики, разработаны с учетом этого основного применения. Однако обратите внимание, что датчик NAP-78SU также может использоваться в широком спектре других применений, где требуется мониторинг легковоспламеняющихся/ взрывоопасных газов в воздуховодах или дымовых трубах при высокой температуре.
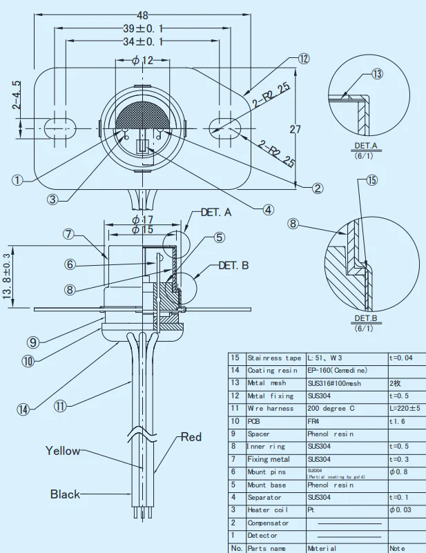
Габаритные размеры сенсора NAP-78SU Nemoto



