KGS 102 KNC сенсор Углеводорода (горючие газы) CH
Цена: по запросу
Арт. ХХ-00001265
KGS 102 KNC сенсор для измерения Углеводорода (горючие газы) CH
Характеристики
Производитель
—
KNC
Тип измерения
—
Полупроводниковый
Диаметр, мм (типоразмер)
—
10
Диапазон
—
1000 - 10000 ppm
Время отклика t90
—
10 sec.
Температурный диапазон
—
-10C°..+50C°
KGS 102 KNC сенсор Углеводорода (горючие газы) CH
Цена: по запросу
Арт. ХХ-00001265
Описание
KGS 102 является полупроводниковым газовым датчиком SnO2 и используется в системах обнаружения газа, очистки воздуха, автоматической вентиляции, микроволновой печи и т.д. В чистой атмосфере сопротивление датчика является высоким. Однако с увеличением концентрации водяного пара или газа в атмосфере сопротивление уменьшается. Газовый датчик KGS 102 отличается высокой устойчивостью к воздушному потоку, превосходным временем отклика и превосходной долговечностью.
Характеристики сенсора KGS 102 KNC
| Потребляемая мощность | 800 ± 50 мВт |
| Ток нагревателя | 160 ± 10 мА |
| Напряжение нагревателя | Переменный или постоянный ток 5 В |
| Напряжение цепи | Переменный ток или менее 12 В постоянного тока ( рекомендуется 5 В постоянного тока ) |
| Нагрузка | Переменная |
| Рабочая температура. & Влажность | -10℃ ~ 50℃, относительная влажность 30~85% |
| Температура хранения | -30℃ ~ 50℃ |
|
Сопротивление датчика (в чистом воздухе при 25 ℃, относительной влажности 60 %) |
20~80 кОм |
|
Чувствительность к газу Rs (CH 4 , 1000 ppm)/ Rs (воздух) |
< 1/3 |
Измеряемые газы
| Углеводороды |
Метан, пропан, бутан, гексан, бензин, ацетилен, этилен, бутилен, бензол, толуол и т. д. |
| Галогенизированные углеводороды | Метилхлорид (CH 3 CI), этилхлорид, винилхлорид и т. д. |
| Спирты | Метанол, этанол, пропанол, бутанол и т. д. |
| Эфиры | Метиловый эфир, этиловый эфир и т. д. |
| Кетоны | Ацетон, метилэтилкетон и т. д. |
| Эфиры | Метилацетат, этилацетат, бутилацетат и т. д. |
| Азотистые соединения | Нитрометан, метиламин, этиламин и т. д. |
| Неорганический газ и другие |
Аммиак, окись углерода, водород, сероводород, дым и т. д. |
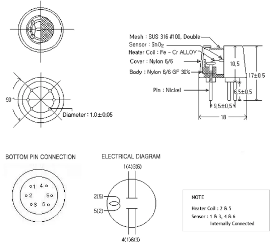
Габаритные размеры сенсора KGS 102 KNC
#PROP_TITLE#
—
#PROP_VALUE#
Документы



