MH-712B Winsen сенсор Углекислого газа CO2
Цена: по запросу
Арт. ХХ-00002557
Обратите внимание на сенсоры КИП российского производства - полные и частичные аналоги популярных моделей Dymament, Alphasense, Mipex и других.
Подробнее
Характеристики
Производитель
—
Winsen
Тип измерения
—
Инфракрасный
Диаметр, мм (типоразмер)
—
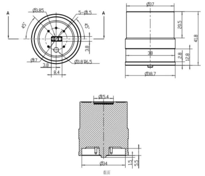
Φ39×44 мм
Диапазон
—
0~2000 ppm 0~6000 ppm 0~1% об. 0~3% об. 0~5% об.
Чувствительность / выходной сигнал
—
0,4-2 В постоянного тока
Время отклика t90
—
< 30 с
MH-712B Winsen сенсор Углекислого газа CO2
Цена: по запросу
Арт. ХХ-00002557
Описание
MH-712B - это интеллектуальный датчик универсального типа для обнаружения CO2 в воздухе, использующий преимущества недисперсионного инфракрасного излучения Принцип (NDIR). Обладая хорошей селективностью, отсутствием зависимости от кислорода, стабильной производительностью и длительным сроком службы, MH-712B также имеет встроенную функцию температурной компенсации. Это компактный и высокопроизводительный датчик, основанный на технологии обнаружения газов с инфракрасным поглощением, микрообработке и сложной схемотехнике.
Характеристики MH-712B Winsen
- Высокая чувствительность и разрешение, низкое энергопотребление, быстрый отклик
- Способ вывода: UART, выходной сигнал аналогового напряжения и т.д.
- Температурная компенсация, превосходная линейная мощность
- Хорошая стабильность
- Длительный срок службы
- Защита от ядов, защита от воздействия паров
Применение MH-712B Winsen
Широко используется для промышленного приборостроения, управления производственными процессами и защиты безопасностиГабаритные размеры сенсора MH-712B Winsen
#PROP_TITLE#
—
#PROP_VALUE#
Документы



