MH-441D-454B Winsen сенсор Фреона R454b
Цена: по запросу
Арт. ХХ-00002553
Обратите внимание на сенсоры КИП российского производства - полные и частичные аналоги популярных моделей Dymament, Alphasense, Mipex и других.
Подробнее
Характеристики
Производитель
—
Winsen
Тип измерения
—
Инфракрасный
Диаметр, мм (типоразмер)
—
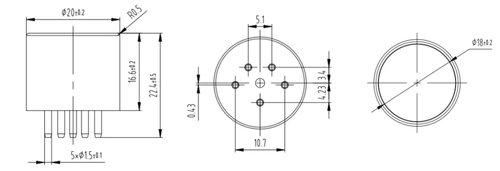
Φ20×22.4mm
Диапазон
—
0~5%VOL
Время отклика t90
—
<30 секунд
Температурный диапазон
—
-20°C ~ 60°C
MH-441D-454B Winsen сенсор Фреона R454b
Цена: по запросу
Арт. ХХ-00002553
Описание
Датчик хладагента MH-441D-454B - это интеллектуальный инфракрасный газовый датчик (далее именуемый датчиком), который использует принцип недисперсионного инфракрасного излучения (NDIR) для обнаружения хладагента (маркировка 454B), который обладает хорошей селективностью и не зависит от кислорода; Датчик представляет собой компактный высокопроизводительный датчик производится путем сочетания передовой технологии обнаружения газов с поглощением инфракрасного излучения с микрообработкой и сложной схемотехникой. Он прост в использовании и может быть непосредственно применен для замены элемента каталитического сгорания.
Особенности сенсора MH-441D-454B
- Высокая чувствительность, высокое разрешение, быстрый отклик
- Способ вывода: UART, аналоговый сигнал напряжения
- Температурная компенсация, превосходный линейный выход, превосходная стабильность, длительный срок службы
- Защита от ядов, защита от паровых помех, может непосредственно заменить газовый датчик каталитического типа
Применения сенсора MH-441D-454B
- Кондиционирование воздуха,
- Управление производственными процессами и защита безопасности
Габаритные размеры сенсора MH-441D-454B
#PROP_TITLE#
—
#PROP_VALUE#
Документы



