C4H10-S3 ELT sensor датчик Бутана C4H10
Цена: по запросу
Арт. ХХ-00001727
Обратите внимание на сенсоры КИП российского производства - полные и частичные аналоги популярных моделей Dymament, Alphasense, Mipex и других.
Подробнее
Характеристики
Производитель
—
ELT sensor
Тип измерения
—
Инфракрасный
Диаметр, мм (типоразмер)
—
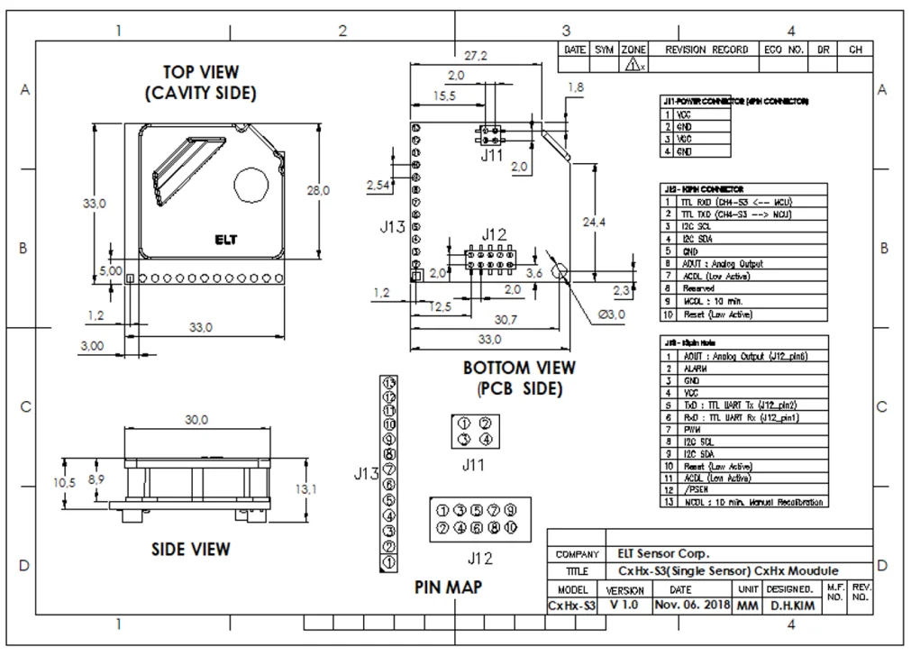
33 L * 33 W mm
Диапазон
—
0 - 100 % LEL
Чувствительность / выходной сигнал
—
TTL-UART, I2C, ALARM
Время отклика t90
—
100 s
C4H10-S3 ELT sensor датчик Бутана C4H10
Цена: по запросу
Арт. ХХ-00001727
Описание
C4H10-S3 - популярный малогабаритный и экономичный модуль датчика бутанового газа с отличной производительностью. Возможно быстрое обнаружение утечек бутанового газа при сохранении высокой точности в широком диапазоне температур. Кроме того, NDIR может использоваться более 10 лет в стабильном состоянии в течение длительного времени.
Особенности C4H10-S3 ELT
- Одноканальный недисперсионный инфракрасный (NDIR) метод измерения уровня газообразного бутана.
- Превосходная компенсация влияния температуры на концентрацию бутана bas (C4H10).
- Выход: TTL-UART, I2C, СИГНАЛ тревоги, аналоговое напряжение или ШИМ не являются обязательными.
- Простая калибровка (0_MCDL : CAL1), (0_ACDL : CAL2).
- Размер : 33mmx33mmx13.1mm
- Вес: 10 грамм
Габаритные размеры сенсора C4H10-S3 ELT

#PROP_TITLE#
—
#PROP_VALUE#
Документы



