B-530 ELT sensor датчик Углекислого газа CO2
Цена: по запросу
Арт. ХХ-00001774
Обратите внимание на сенсоры КИП российского производства - полные и частичные аналоги популярных моделей Dymament, Alphasense, Mipex и других.
Подробнее
Характеристики
Производитель
—
ELT sensor
Тип измерения
—
Инфракрасный
Диаметр, мм (типоразмер)
—
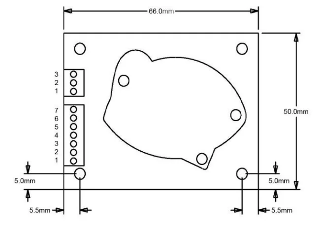
66 L * 50 W mm
Диапазон
—
0 - 2000 ppm 0 - 3000 ppm 0 - 5000 ppm 0 - 10000 ppm 0 - 5 % V
Чувствительность / выходной сигнал
—
UART/VDC 0.5~4.5V
Время отклика t90
—
120 s
B-530 ELT sensor датчик Углекислого газа CO2
Цена: по запросу
Арт. ХХ-00001774
Описание
Приборы серии B-530 предназначены для измерения уровня CO2 в воздухе. Его неизменная стабильность и устойчивость к температурному воздействию, помимо простоты управления, пользуется большим спросом у клиентов при увеличении запасов, научных проектах и т.д. Модель B-530 (G) герметична, чтобы быть устойчивой к воздействию суровых условий влажности 99%, таких как фабрики, теплицы, фермы и так далее.
Особенности B-530 ELT
- Технология недисперсионного инфракрасного излучения (NDIR), используемая для измерения уровней CO₂.
- Прочная конструкция, обеспечивающая высокую стабильность и прочность в экстремальных условиях.
- Устойчив к относительной влажности от 0 до 95%. (Возможна относительная влажность 0~99%)
- Предварительно откалиброванный
- Доступны 3-контактные и 7-контактный разъемы.
- Доступен выход UART, AVO.
- Размер : 66 мм x 50 мм x 22,2 мм
Габаритные размеры сенсора B-530 ELT

#PROP_TITLE#
—
#PROP_VALUE#
Документы



