Модуль лазерного датчика частиц PM5000S основан на технологии лазерного рассеяния, которая позволяет точно обнаруживать и вычислять количество взвешенных частиц различного размера в воздухе. Датчик может одновременно выдавать количество частиц по 6 каналам, включая 0,3 мкм, 0,5 мкм, 1,0 мкм, 2,5 мкм, 5,0 мкм и 10 мкм (ШТ/л).
Характеристики сенсора PM5000S Cubic
- Он может одновременно выводить число частиц в 6 каналах размером 0,3 мкм, 0,5 мкм, 1,0 мкм, 2,5 мкм, 5,0 мкм, 10 мкм.
- Структура отбора проб постоянного тока, обеспечивающая равномерный поток отбора проб
- Улучшенный лазерный диод и мощный вентилятор с лучшей производительностью
- Широкий диапазон рабочих температур, повышенная стабильность
- Благодаря конструкции регулятора напряжения и совместимости с ЭМС, обладает высокой антистатической способностью
- Интеллектуальные функции ложной тревоги
Принцип работы PM5000S Cubic
Отбор проб с помощью внутреннего давления, которое создается вентилятором, когда частицы для отбора проб проходят через луч света (лазер), возникает явление рассеяния света. Рассеянный свет будет преобразован в электрический сигнал (импульс) с помощью фотоэлектрического трансформатора. Более крупные частицы будут получать более сильный импульсный сигнал (пиковое значение). Можно рассчитать количественную концентрацию частиц каждого размера по значению частоты и импульса. Таким образом, измеряемые данные в режиме реального времени получаются путем измерения количества и силы рассеянного света.
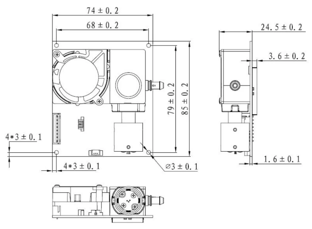
Габаритные размеры сенсора PM5000S Cubic




