Премиальная линейка
NT-SO2-PL20
Электрохимический датчик диоксида серы
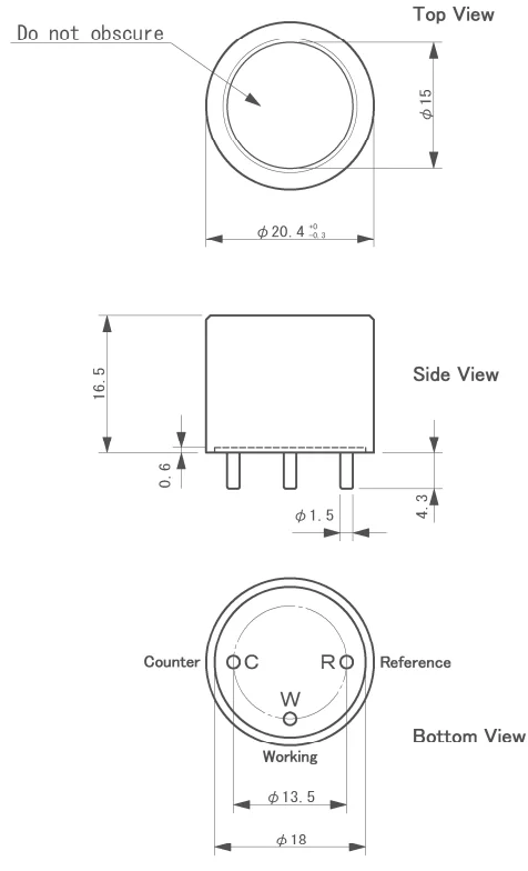
NT-SO2-PL20 - это новый электрохимический газовый датчик с 3 электродами для обнаружения диоксида серы в различных системах обнаружения газов. Обладая высокой производительностью при очень стабильной базовой линии и выходном сигнале, а также превосходной избирательностью, этот компактный датчик ( диаметр 20,4 мм) подходит как для портативных, так и для стационарных приборов обнаружения газов. Технология пористых электродов обеспечивает точное обнаружение газа с высокой чувствительностью. Механическая конструкция датчик обеспечивает оптимальные характеристики газодиффузии, а герметичный корпус предотвращает дорогостоящую утечку электролита. Этот новый дизайн премиум-линейки обладает рядом преимуществ по сравнению с традиционными промышленными датчиками. Например, это дает возможность использовать усилитель общего назначения вместо дорогостоящего OP97.
Габаритные размеры сенсора NT-SO2-PL20 NET



