H2S-SM30-3V ELT sensor датчик газа Сероводорода H2S
Цена: по запросу
Арт. ХХ-00001378
Обратите внимание на сенсоры КИП российского производства - полные и частичные аналоги популярных моделей Alphasense, Membrapor, City и других.
Подробнее
Характеристики
Производитель
—
ELT sensor
Тип измерения
—
Электрохимический
Диапазон
—
0 - 100 ppm
Чувствительность / выходной сигнал
—
UART, I2C, ALARM,PWM
Время отклика t90
—
30 сек
Температурный диапазон
—
-20 ~ 50℃
H2S-SM30-3V ELT sensor датчик газа Сероводорода H2S
Цена: по запросу
Арт. ХХ-00001378
Описание
Х2С-СМ30-3В
Серия H2S-SM30-3V представляет собой модули измерения сероводорода электрохимического типа.
∙ Применение: Промышленность и безопасность жизнедеятельности.
∙ Диапазон измерения: 0–100 ppm (максимальная перегрузка: 300 ppm)
∙ Точность: < ± 3 % полной шкалы.
∙ Входная мощность: 3,3 В постоянного тока (3,2–3,5 В), доступна модель с аккумулятором (2,6–3,0 В).
∙ Выход: UART, I2C, СИГНАЛИЗАЦИЯ, ШИМ
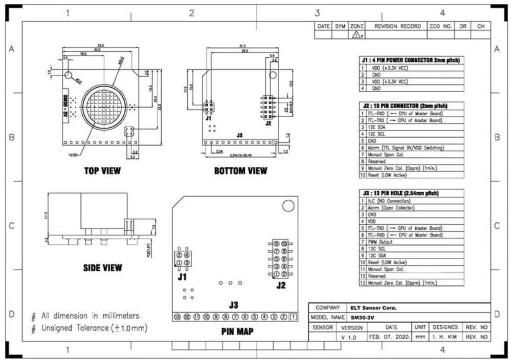
Габаритные размеры сенсора H2S-SM30-3V ELT

#PROP_TITLE#
—
#PROP_VALUE#
Документы



