КИП Мини НАСОС BLDC2A
Цена: по запросу
Арт. ХХ-00003000
Насос с бесщеточным двигателем. Воздушный поток: 3л/мин, расход воды: 320мл/мин
КИП Мини НАСОС BLDC2A
Цена: по запросу
Арт. ХХ-00003000
Описание
Мембранный насос КИП pump BLDC2A
Мембранный насос КИП pump BLDC2A представляет собой высокоэффективное решение для перекачивания газов и жидкостей. Этот насос работает по принципу объемного вытеснения, используя возвратно-поступательное движение диафрагмы, что позволяет изменять объем рабочей камеры и осуществлять всасывание и выталкивание среды. Насосы данной серии оснащены уникальными бесщеточными двигателями постоянного тока, обеспечивающими долговечность и надежную работу без необходимости в техническом обслуживании.
КИП pump BLDC2A обеспечивают максимальную гибкость благодаря нескольким вариантам установки. На выбор доступны модели с напряжением 12V и 24V, что позволяет подобрать оптимальное решение под конкретные требования системы. Для удобства подключения и интеграции насосы могут быть оснащены 2 или 4 встроенными проводами.
Технические характеристики
![]() |
![]() |
| Рабочая температура | 0-50°С |
![]() |
|
| Температура хранения | От -20 до 100°С |
|
|
| Среда | Воздух, газ и жидкость |
|
|
| Срок службы двигателя | ≥5000ч |
|
|
| Влажность | ≤ 80% |
|
|
| Шум | 54дБ |
|
|
| Диапазон влажности | Менее 80% |
|
|
| Головка насоса | PA |
|
|
| Клапан | EPDM/FKM/FFKM |
|
|
| Диафрагма | EPDM/TPFE |
|
|
| Вес | 240 г |
|
|
|
Электрическая спецификация |
|
|
|
| Тип двигателя | Бесщеточный |
|
|
| Напряжение | 12V/24V |
![]() |
![]() |
|
Сила |
7W |
|
|
|
Данные о производительности |
|
![]() |
|
|
Скорость воздушного потока |
≥3 л/мин |
![]() |
![]() |
| Максимальное выходное давление |
≥0,1 Мпа |
![]() |
|
|
Максимальное входное давление |
≤-0,05 Мпа |
![]() |
![]() |
| Расход воды | 320 мл/мин |
![]() |
![]() |
| Напор |
≥10 м |
![]() |
![]() |
|
Всасывание |
≥3 м |
Ключевые особенности
|
|
Низкий уровень шума: Уровень шума всего 54 дБ обеспечивает комфортную работу устройства даже в чувствительных к шуму средах. |
|
|
Долговечность: Долгий срок службы двигателя и устойчивость к различным условиям эксплуатации делают насосы BLDC2A надежными и долговечными. |
|
|
Легкость и компактность: Вес всего 240 г позволяет легко интегрировать насосы в различные системы и устройства без значительного увеличения массы. |
|
|
Высокая надежность: Благодаря использованию бесщеточных двигателей постоянного тока, насосы серии BLDC2A работают без необходимости регулярного обслуживания, что значительно упрощает их эксплуатацию. |
|
|
Универсальность: Насосы предназначены для перекачивания воздуха, газов и жидкостей, что делает их универсальными для различных областей применения. |
|
|
Гибкость установки: Несколько вариантов монтажа позволяют интегрировать насосы в различные системы и установки. |
|
|
Прочная конструкция: Насосы изготовлены из высококачественных материалов, таких как PA для головки насоса и EPDM/FKM/FFKM для клапанов, обеспечивая долгий срок службы и устойчивость к агрессивным средам. |
Области применения
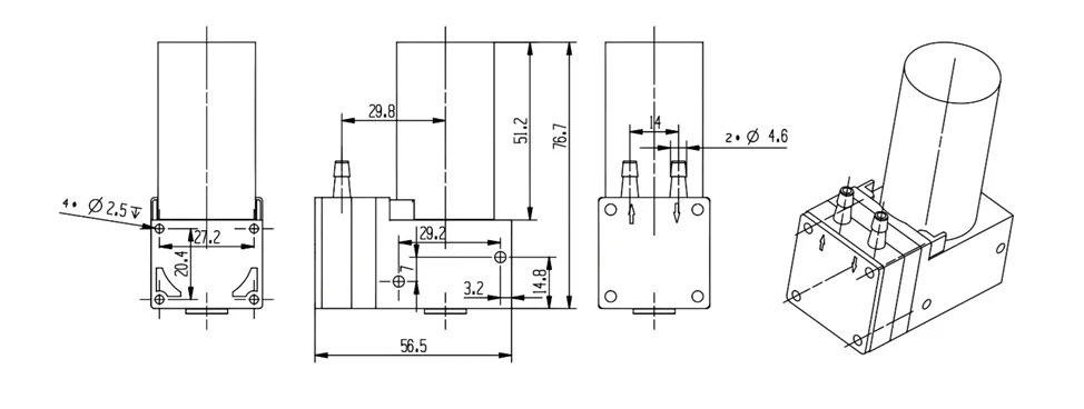
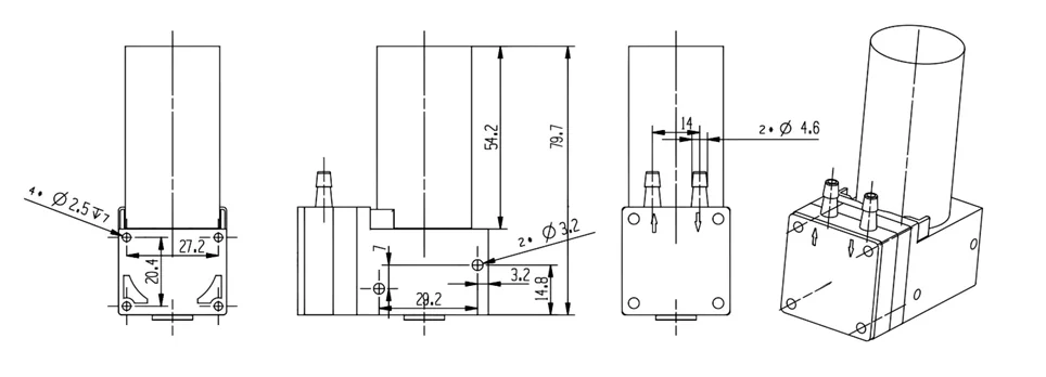
Габаритные размеры
Встроенные четыре провода

Встроенные два провода


Встроенные два провода

Документация для скачивания
#PROP_TITLE#
—
#PROP_VALUE#




